Ilgalaikė/ trumpalaikė sandėliavimo paskirties patalpos nuoma, Inturkės g. 53, Molėtai, Molėtų r. sav.
Preliminari nuomos kaina be PVM
€483.74 mėn.
Preliminari 1m2 nuomos kaina be PVM
€2.20 m2/mėn.
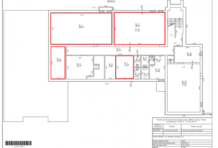
Plotas
219.88 m2
Patalpų indeksas
R-1, R-2, R-4, R7
Aukštas
Rūsys
Komunalinės paslaugos
Elektra - yra, vandentiekis - centralizuotas, nuotekos - centralizuotos, šildymas - centrinis.
Įrengimas
Patalpos nuomojamos esamos būklės, nuomininkas turės galimybę (savo lėšomis) patalpas įsirengti pagal savo poreikius.
Kita
Nuomojamos patalpos yra rūsyje. Nuomojama daiktų/ produkcijos laikymui ir saugojimui. Nuomos objekte draudžiama sandėliuoti sprogias, naftos, pavojingas chemines medžiagas, ir bet kokias medžiagas, kurios gali daryti įtaką ar pakenkti žmogaus sveikatai ir aplinkai taip pat – sprogmenis bei pirotechniką ir pan.
Kontaktai
Jurgita Kavaliauskienė
Mob. telefonas
+37062058131
El. paštas
Jurgita.Kavaliauskiene@turtas.lt