Administracinės paskirties patalpos Vytauto g. 28, Marijampolėje, Marijampolės sav.

Vytauto g. 28, Marijampolė, Marijampolės sav.
Konkurso tipas
Konkursas
Pradinė nuomos kaina be PVM
€230.65/mėn.
Pradinė 1 m2 nuomos kaina be PVM
€5.89 m2/mėn.
Pradinė 1 m2 nuomos kaina su PVM
€7.13 m2/mėn.
Nuomojamas plotas
39.16 m2
Nuomos terminas
3 metai
Patalpų indeksas
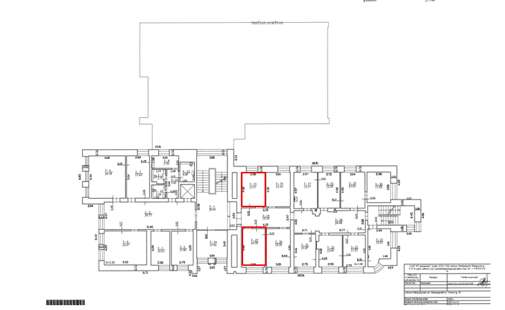
3-15 ir 3-27
Aukštas
3

Nuomojamos administracinės paskirties patalpos, išsidėsčiusios trečiame pastato aukšte, viso nuomojamas plotas 39,16 kv. m. Patalpos nuomojamos esamos būklės, nuomininkas turės galimybę (savo lėšomis) patalpas  įsirengti pagal savo poreikius.

Paskirtis
Administracinė
Nuomojama veiklai
Administracinei veiklai. Nuomos objektas taip pat gali būti naudojamas kitoms veikloms, kurios yra nurodytos Statinio (jo patalpų) naudojimo ne pagal paskirtį atvejų ir tvarkos aprašo, patvirtinto Lietuvos Respublikos Vyriausybės 2011 m. spalio 12 d. nutarimu Nr. 1178 „Dėl statinio (jo patalpų) naudojimo ne pagal paskirtį atvejų ir tvarkos aprašo patvirtinimo“, 3.1. – 3.19., 3.22., 5.1. – 5.10., 5.12. – 5.17. punktuose, jei nuomos objekto naudojimas atitiks kitas šiuose punktuose nustatytas sąlygas.
Įrengimas
Įrengta
Apžiūros laikas

2025-11-10 – 2025-11-14, 10:00 val. – 15:00 val.

Apie savo atvykimą būtina informuoti kontaktinį asmenį nevėliau kaip prieš 1 darbo dieną iki apžiūros.

 

Unikalus Nr.
1893-0000-8019
Žymėjimas plane
1B3p
Paruošimas nuomai
Nuomos objektas laisvas
Nuoma dalimis
Nuomos objektas yra skaidomas ir Dalyvis gali pateikti Paraišką dėl 3-15 (12,87 kv. m. su b. n. p., viso 18,37 kv. m.) ir /arba 3-27 (14,58 kv. m. su b. n. p., viso 20,79 kv. m.) patalpų nuomos, paraiškoje nurodant patalpos indeksą (us).
Komunalinės paslaugos
Elektra – Yra, Vandentiekis, kanalizacija – Yra, Komunalinis, Šildymas – Yra, Centrinis
Komunalinių paslaugų apmokėjimas
Sąskaitas už Nuomos objekte suteiktas komunalines paslaugas, paskirstys Nuomotojas. Galimų Komunalinių paslaugų sąrašas pateiktas Sutarties projekto Priede Nr. 2.
Eksploatacinės paslaugos
Galimų Eksploatacinių paslaugų sąrašas pateiktas Sutarties projekto Priede Nr. 2. Esant poreikiui, dėl papildomų Eksploatacinių paslaugų, kurių nėra nurodyta minėtame priede arba tuo atveju, kai Nuomotojas neteikia priede nurodytų paslaugų, Nuomininkas turės teisę savo vardu sudaryti sutartis su tokių Eksploatacinių paslaugų teikėjais ir už šias Nuomos objekte suteiktas Eksploatacines paslaugas Nuomininkas atsiskaitys tiesiogiai su Eksploatacinių paslaugų teikėjais.
Eksploatacinių paslaugų apmokėjimas
Sąskaitas už Nuomos objekte suteiktas Eksploatacines paslaugas nurodytas Sutarties projekto Priede Nr. 2 paskirstys Nuomotojas. Už kitas Nuomos objekte, pagal Nuomininko poreikį suteiktas Eksploatacines paslaugas, pagal Nuomininko vardu sudarytas Eksploatacinių paslaugų sutartis su Eksploatacinių paslaugų tiekėjais, Nuomininkas atsiskaitys tiesiogiai su šių Eksploatacinių paslaugų teikėjais.
Specialiosios nuomos sąlygos

Mokesčius už Nuomos objekte suteiktas Komunalines/Eksploatacines paslaugas Nuomotojas apskaičiuoja vadovaudamasis Valstybės įmonės Turto banko generalinio direktoriaus 2023-05-29 įsakymu Nr. P1-130 „Dėl valstybės įmonės turto banko patikėjimo teise valdomų pastatų (patalpų) bendro naudojimo patalpų priskyrimo pagrindinėms patalpoms ir išlaikymo sąnaudų apskaičiavimo bei paskirstymo pastatų (patalpų) naudotojams, aprašo patvirtinimo“: https://turtas.lt/wp-content/uploads/2021/11/2023-05-29-nr-p1-130-del-valstybes-imones-turto-banko-patikejimo-teise-valdomu-pastatu-patalpu-islaikymo-sanaudu-apskaiciavimo-bei-paskirstymo-naudotojams-aprasas.docx   arba kitu, tuo metu galiojančiu aktualiu Nuomotojo  lokaliniu teisės aktu.

Konkurso tipas
Konkursas
Dalyvių registravimo pradžia
2025 11 20, 9:00
Dalyvių registravimo pabaiga
2025 11 26, 15:00
Konkurso vykdymo data ir laikas
2025 11 27, 13:00
Dokumentų pateikimo vieta
VĮ Turto bankas, Kęstučio g. 45, 08124 Vilnius
Konkurso vykdymo vieta
VĮ Turto bankas, Kęstučio g. 45, 08124 Vilnius
Dalyvio pradinis įnašas be PVM
€ 691.95
Dalyvio pradinis įnašas su PVM
€ 837.26
Sąskaitos numeris
LT51 7044 0600 0044 3925
Bankas
AB SEB bankas
Banko SWIFT
CBVILT2X
Gavėjo kodas
112021042
Nuomos konkursas vykdomas vadovaujantis Lietuvos Respublikos Vyriausybės 2001 m. gruodžio 14 d. nutarimu Nr. 1524 „Dėl valstybės ilgalaikio materialiojo turto viešojo nuomos konkurso ir nuomos ne konkurso būdu organizavimo tvarkos aprašo patvirtinimo“ bei Bendrosiomis nuomos konkurso sąlygomis.
Kontaktai informacijai apie turtą ir turto apžiūros klausimais
Jurgita Kavaliauskienė
Mob. telefonas
+37062058131
Kontaktai registracijos į konkursą klausimais
Dovilė Baranauskienė
Mob. telefonas
+37061606104